Эта проблема затрагивает:
Существующие традиционные способы очистки имеют ряд недостатков, таких как: необходимость останова агрегата и вывода в ремонт для очистки, наличие «мёртвых зон», недостаточная эффективность воздействия и др
Известно, что для генерации резкого (взрывного) газового импульса необходимо создать разрыв термодинамических параметров. В нашем случае в закрытом сосуде нагнетается высокое давление газа, затем одна из стенок сосуда внезапно исчезает, происходит истечение газа в окружающее пространство со сверхзвуковой скоростью. При этом, внутренняя энергия газа будет преобразована в кинетическую с максимально возможной эффективностью. Если учесть, что потенциальная энергия определяется давлением сжатого газа и объёмом сосуда, то при конечном преобразовании энергии можно генерировать значительные импульсы, причем без применения каких-либо пиротехнических средств.
На рисунке изображена пневмопушка, основными частями которой являются:

Надежность
Простота и надежность конструкции обеспечивают срок работы пушек в штатном режиме не менее 10 лет
Быстрая окупаемость
За счет повышения КПД оборудования установка системы пневмоимпульсной очистки окупается за 1-2 года
Экологичность
Система пневмоимпульсной очистки абсолютно экологически безопасна.
Технологичность
Комплект поставки ПИО позволяет оперативно собрать систему самостоятельно по нашему проекту. Управление системой возможно как в автоматическом так и в ручном режиме.
Универсальность
Пневмопушки применимы как для очистки поверхностей нагрева или теплообмена так и для очистки рукавных фильтров, рабочих колес дымососов, устранения зависаний в бункерах и др.
Безопасность
Для управления системой очистки используется питание 24В, не требуются горючие газы. При срабатывании клапана звук не превышает предельно-допустимые нормы.
В зависимости от поставленной технической задачи проектируется индивидуальная для каждого объекта система пневмоимпульсной очистки. На основе обследования, имеющихся у заказчика чертежей оборудования и технологических схем определяется необходимое количество пневмопушек и места их установки. Определяется тип шкафа управления, комплект поставки. Выпускается проектная и рабочая документации, изготавливается оборудование, осуществляется поставка на объект. Далее производится монтаж системы ПИО нашими силами либо силами заказчика в присутствии нашего шеф-инженера, пусконаладочные работы.

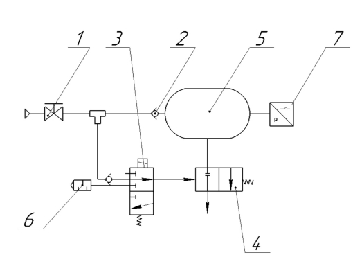
ПНЕВМАТИЧЕСКАЯ СХЕМА ПНЕВМОПУШКИ
Сжатый воздух через запорный вентиль поз.1 поступает в пневмопушку. Происходит заполнение сжатым воздухом через обратный клапан поз.2 ресивера поз.5.Одновременно сжатый воздух поступает через обратный клапан к пневмоэлектрораспределителю поз.3 и проходя через него закрывает быстродействующий клапан поз.4. При поступлении сигнала, который возможен только при достижении необходимого давления в рессивере на электромагнит пневмоэлектрораспределителя поз.3 происходит его переключение. Воздух выходит через глушитель поз.6, позволяя переключиться быстродействующему клапану поз.4. Переключение быстродействующего клапана поз.4 приводит к опорожнению через этот клапан ресивера поз.5. сжатый воздух по присоединительному патрубку поступает внутрь очищаемого агрегата. Входящее в состав пневмопушки реле давления поз.7 дает разрешение на срабатывание пневмоэлектрораспределителя поз.3.
ШКАФ УПРАВЛЕНИЯ
Шкаф управления позволяет управлять либо независимо каждой пневмопушкой либо пневмопушками, объединенными в одну группу. Срабатывание пневмопушек в группе происходит одновременно.Управление производится автоматически и/или вручную.
Характеристики катушки пневмоэлектроклапана поз.3
|
Наименование параметра |
Значение |
|
Род тока |
Постоянный |
|
Характеристики |
24V DC 10W (в стандартной комплектации) |
Класс защиты по EN 60 529 – IP 65
Комплект сопровождается подробной документацией, позволяющей самостоятельно установить и обслуживать оборудование. Прилагаются также заверенные копии действующих Сертификатов, которые позволяют законно эксплуатировать оборудование, а также паспорта на каждое изделие (содержит зав. номер) с прописанными гарантийными обязательствами.

Результаты применений на объектах









